- Nowy

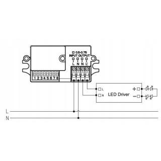
Czujnik Merrytek MC119S to precyzyjne urządzenie do automatycznego sterowania oświetleniem. Dzięki zastosowaniu mikrofal (5,8 GHz) oraz regulacji progu światła dziennego zapewnia włączanie światła dokładnie wtedy, gdy jest to potrzebne, gdy wykryty zostanie ruch i gdy otoczenie jest wystarczająco ciemne.
Zalety i cechy:
Zasięg detekcji:
idealny do sufitów, opraw oświetleniowych, biur, magazynów
Sprawdzi się w sufitach podwieszanych, oprawach oświetleniowych, biurach, magazynach, korytarzach.
Wszędzie tam, gdzie chcesz, by światło świeciło tylko wtedy, gdy ktoś jest w pomieszczeniu i gdy jest ciemno.
16 innych produktów w tej samej kategorii:
JOLLY 38 DALI NFC 151080 Sterownik do zabudowy: Sterownik wieloprądowy z NFC do wyboru prądu wyjściowego. Niezależny sterownik IP20, do użytku wewnątrz pomieszczeń. Ochrona klasy II przed porażeniem elektrycznym przy bezpośrednim lub...
Zasilacz LED MICRO MD 700 PHASE CUT 127046 Zasilacz LED: stałoprądowy, ściemnianie PHASE CUT. Parametry techniczne: Moc: 3 ÷ 10 W Prąd: 700 mA Napięcie znamionowe zasilania: 220 ÷ 240 V Napięcie AC: 198 ÷ 264 V Napięcie Vout: 3 - 14 V...
Zasilacz LED SLIM 13W 24V HPFU 141122 Zasilacz LED: stałoprądowy, stałonapięciowy. Parametry techniczne: Moc: 0 ÷ 15 W Prąd: 550 mA max. Napięcie zasilania: 100 ÷ 127 V, 220 ÷ 240 V Napięcie AC: 90 ÷ 264 V Napięcie DC: 170 ÷ 280 V...
Pilot do LED FUT092 Mi-Light RGB/RGBW/RGB+CCT 4-strefowy pilot FUT092 obsługiwany dotykowo. Umożliwia zmianę koloru, nasycenia koloru, temperatury barwowej oraz jasności przypisanych urządzeń. Montowany do uchwytu. Pilot współpracuje ze...
TCI-Wolf 250, elektroniczny transformator Tronic 50-250W Informacje techniczne: Napięcie wejściowe: 230 / 240 V - 50÷60Hz Napięcie wyjściowe: 11,5 - 12 V Moc: 50 / 250 W ta = -20 do 30°C tc = 80° Power Factor λ 0,99 C Obudowa: IP20...
Czujnik ruchu światła mikrofalowy Merrytek MC030S 220-240V AC 5,8GHz MC030S-L to idealne rozwiązanie dla osób, które chcą mieć kontrolę nad oświetleniem w swoim pomieszczeniu. Dzięki wysyłaniu fal elektromagnetycznych o wysokiej...
DAMIK złączka łącznik do taśmy LED COB 8mm Mono | 2 pin | DC 3–24V | 5,5A | IP20 Szybko złączka DAMIK typu strip-to-strip kątowa to praktyczne i niezawodne rozwiązanie do łączenia jednokolorowych taśm LED COB o szerokości 8mm w rogu, bez...
Zasilacz LED 75W 24V DC – Model DLS 75-24753125 Niezawodne zasilanie dla Twoich taśm LED Szukasz kompaktowego, wydajnego i bezpiecznego zasilacza do taśm LED 24V? Model DLS75 to idealne rozwiązanie do domowych, biurowych i komercyjnych...
Damik Czujnik PIR natynkowy Dove 360° 2000W czarny Natynkowy sufitowy Czujnik ruchu DAMIK Dove 360° to wysokiej jakości detektor PIR, przeznaczony do montażu sufitowego. Automatycznie steruje oświetleniem lub innymi podłączonymi urządzeniami w...
Zasilacz LED SUPERFLAT DALI 25W 500mA Zasilacz do zabudowy:Wieloprądowy zasilacz z przełącznikiem DIP do wyboru prądu wyjściowego oraz połączeniem DALIMoże być stosowany do sprzętu oświetleniowego w klasie ochrony I i II.Aktywny korektor...
MP 80/350 SLIM 122212 Sterownik elektroniczny: Stałoprądowy Z przełącznikiem DIP-SWITCH Specyfikacja: Zakres mocy: 10 - 80 W Zakres prądu: 200 - 350 mA (regulowany za pomocą dip-switcha) Napięcie wejściowe: 220 - 240 V Napięcie AC: 198...
Urządzenie Ochrony Przed Przepięciami (SPD) DMK zostało zaprojektowane w celu ochrony urządzeń elektrycznych przed przepięciami i skokami napięcia. Charakteryzuje się niskimi pozostałościami oraz szybkim czasem reakcji, co zapewnia...
Lampa biała OSMONT LED DELIA 2A Lampa sufitowa/ścienna LEDStopień ochrony przed wpływem czynników zewnętrznych: IP54Wymiary: 71mm wysokości (średnica 360mm)Materiał podstawy: stalMateriał klosza: Plastik opalowyKolor klosza: BiałyŻywotność...
Zasilacz LED SLIM 11W 700mA HPFU 141114 Zasilacz LED: stałoprądowy. Parametry techniczne: Moc: 0 ÷ 15 W Prąd: 700 mA Napięcie zasilania: 100 ÷ 127 V, 220 ÷ 240 V Napięcie AC: 90 ÷ 264 V Napięcie DC: 170 ÷ 280 V Napięcie wyjściowe: 2 ÷...
Sterownik LED PROFESSIONALE CASAMBI BI 38W / 1A Sterownik do zabudowy: Sterownik wieloprądowy z przełącznikiem DIP SWITCH do wyboru prądu wyjściowego ze zintegrowanym bezprzewodowym odbiornikiem CASAMBI. Niezależny sterownik IP20, do...
MiBoxer K3-B – Naścienny pilot LED MONO+CCT 1-strefowy | RF 2.4GHz | czarny | okrągły MiBoxer K3-B to nowoczesny, naścienny pilot dotykowy do sterowania oświetleniem LED MONO (jednokolorowe) oraz CCT (regulowana biel). Obsługuje 1...
error Chwilowo nie możesz polubić tej opinii